• Products
  • CTPaper
    • History and Entreprise Policy
    • Facilities
      • Albacete Facilities
      • Gallur Facilities
  • Services
  • Contact us

Portada | Second Hand Machine Parts | COMPLETE LINE FOR TMP PULP THERMOFORMING MACHINE

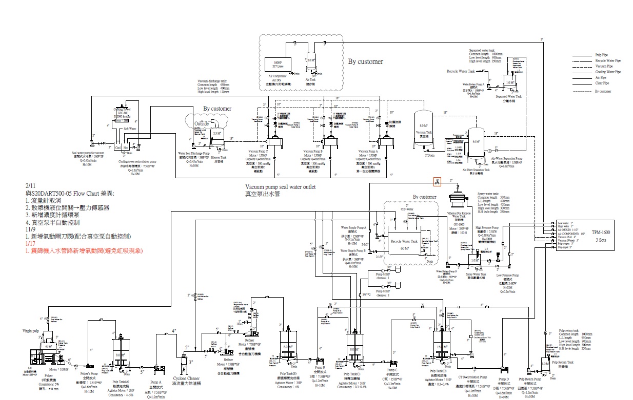
COMPLETE LINE FOR TMP PULP THERMOFORMING MACHINE

General information:

– Complete pulp mill capacity 300 kgs/h
– 5 x machine TPM-1600-year 3 X 2023 and 2 X 2024 capacity each machine 35 kgs/h NOT INCLUDED THE MOULDS
– Vacuum pumps line for 38 m3/min per machine.
– 5 x auto stacker units and 12 air tanks

COMPLETE LINE FOR TMP PULP THERMOFORMING MACHINE
← Previous Next →
  • Products

    • Second Hand Board Machines
    • Second Hand Converting equipments
      • Bale Press
      • CUP FORMERS
      • Others | Second Hand Converting equipments
      • Rewinders / Unwinders
      • Sheeters
    • Second Hand Corrugator equipments
    • Second Hand Liner and Fluting paper machine
    • Second Hand Machine Parts
      • Calenders and Supercalenders
      • Coating
      • Dryers
      • Headboxes
      • Others
      • Pope Reels
      • Section Presses
      • Suction Vat Formers
      • Yankee and Hoods
    • Second Hand New arrivals
    • Second Hand Stock preparation
      • Deinking Plants / Stock Prep Plants / Deinking Cells
      • Hot Dispersion
      • Others
      • Pulpers
      • Refiners
      • Screens
      • Thickeners
    • Second Hand Tissue Converting Machines
    • Second Hand Tissue paper machine / MG paper machines
    • Second Hand Water Treatment Machines
    • Second Hand Writing & printing / Newsprint paper machine
    • Sin categoría
  • Legal notice
  • Privacy policy
  • Cookies