• Products
  • CTPaper
    • History and Entreprise Policy
    • Facilities
      • Albacete Facilities
      • Gallur Facilities
  • Services
  • Contact us

Portada | Second Hand Machine Parts | WEB INSPECTION UNIT PROCEMEX

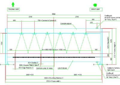
WEB INSPECTION UNIT PROCEMEX

General information:

– Web width maximum 4.500 mm
– Maximum speed 1.200 m/min
– Year installed 2020
– Complete installation

WEB INSPECTION UNIT PROCEMEX
← Previous Next →
  • Products

    • Second Hand Board Machines
    • Second Hand Converting equipments
      • Bale Press
      • CUP FORMERS
      • Others | Second Hand Converting equipments
      • Rewinders / Unwinders
      • Sheeters
    • Second Hand Liner and Fluting paper machine
    • Second Hand Machine Parts
      • Calenders and Supercalenders
      • Coating
      • Dryers
      • Headboxes
      • Others
      • Pope Reels
      • Section Presses
      • Suction Vat Formers
      • Yankee and Hoods
    • Second Hand New arrivals
    • Second Hand Stock preparation
      • Deinking Plants / Stock Prep Plants / Deinking Cells
      • Hot Dispersion
      • Others
      • Pulpers
      • Refiners
      • Screens
      • Thickeners
    • Second Hand Tissue Converting Machines
    • Second Hand Tissue paper machine / MG paper machines
    • Second Hand Water Treatment Machines
    • Second Hand Writing & printing / Newsprint paper machine
    • Sin categoría
  • Legal notice
  • Privacy policy
  • Cookies